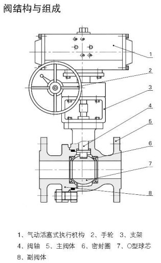
一、全通径气动O型快速切断球阀工作原理:
全通径气动O型快速切断球阀采用浮动球法兰连接,流通能力大,流阻系数小,结构简单,维修方便。
全通径气动O型快速切断球阀密封圈采用独特的弹性唇缘密封技术,保证了零泄漏的切断要求,特有的自动补偿功能使阀门具有更长的使用寿命;球芯经硬化处理;配用气动活塞式单作用或双作用执行机构,整机具有结构紧凑,切断性好,开关迅速及使用寿命长等特点。非常适用于各种液体、气体、浆料类流体及低压蒸汽的自动切断控制。
二、全通径气动O型快速切断球阀执行器的选择:
全通径气动O型快速切断球阀执行器的作用方式有两种:
1、气动活塞式双作用执行机构:
气源故障时,阀门处于失气位置,无复位弹簧,推力大,是气缸式的首选。
2、气动活塞式单作用执行机构:
气源故障时,执行机构弹簧将阀门复位至原始极限位置(全开或全关),有气开式和气关式两种。
气关式(FO):当气源故障时,执行机构弹簧将阀打开;
气开式(FC):当气源故障时,执行机构弹簧将阀关闭。

来源:气动快速切断阀|http://www.zdskqw.cn 转载注明。