多弹簧气动薄膜调节阀执行机构作用形式:
ZHA型:正作用,当信号压力增加时,阀杆部件向下移;
ZHB型:反作用,当信号压力增加时,阀杆部件向上移。

|
型号
|
ZHA/B-11
|
ZHA/B-22
|
ZHA/B-23
|
ZHA/B-34
|
ZHA/B-45
|
ZHA/B-56
|
|
行程(mm)
|
10
|
10、16
|
16、25
|
40
|
40、60
|
100
|
|
有效面积(cm)
|
200
|
350
|
350
|
560
|
960
|
1600
|
|
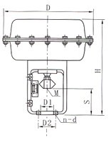
D1(mm)
|
32
|
60
|
60
|
80
|
95
|
100
|
|
D2(mm)
|
/
|
80
|
80
|
105
|
122
|
130
|
|
n-d
|
/
|
2-Φ10
|
2-Φ10
|
4 -Φ12
|
4 -Φ14
|
4 -Φ18
|
|
M
|
M8
|
M8
|
M8
|
M12×1.25
|
M16×1.5
|
M20×1.5
|
|
S(ZHA/ZHB)mm
|
80/70
|
100/84
|
100/75
|
154/114
|
180/115
|
260/160
|
|
气源接口尺寸
|
M10×1
|
M12×1.25
|
M16×1.5
|
|||
|
气源压力
|
0.14、0.25MPa
|
|||||
|
环境温度
|
-30~60℃
|
|||||
|
弹簧范围
|
0.02~0.10、0.04~0.10、0.08~0.24MPa
|
|||||
多弹簧气动薄膜调节阀主要零件部件材料:
膜盖材质:HT200、1Cr18Ni9Ti
支架材质:HT200
膜片材质:丁腈橡胶夹增强涤纶织物
弹簧材质:60Si2Mn
多弹簧气动薄膜调节阀执行机构外形尺寸及重量:
|
型号
|
ZHA/B-11
|
ZHA/B-22
|
ZHA/B-23
|
ZHA/B-34
|
ZHA/B-45
|
ZHA/B-56
|
|
H(mm)
|
220
|
270
|
300
|
375
|
490
|
720
|
|
D(mm)
|
236
|
285
|
285
|
360
|
470
|
620
|
|
重量(Kg)
|
10
|
12
|
16
|
22
|
52
|
125
|