您的位置 > 资源库 > 技术资讯
在线服务资源库
温度调节阀系统应用之乳化沥青设备

温度调节阀系统应用之乳化沥青设备

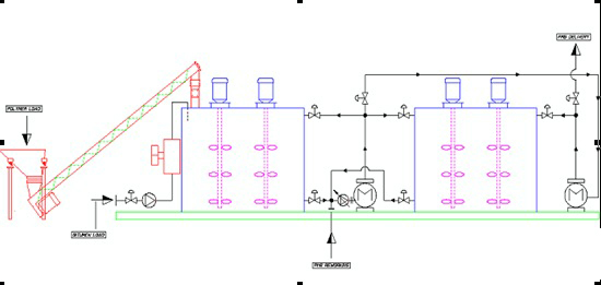
  温度调节阀系统应用之乳化沥青设备机组主要由生产车间,控制系统组成。适用于阴阳离子乳化剂,进口、国产沥青。
      供热方式有:导热油加热、蒸汽加热、燃油加热、电加热等。温度、液位、配比、生产速度、总产量、操作人员、生产日期等均由计算机控制。
  【温度调节阀系统应用之乳化沥青设备控制系统】


  系统运行由工业PC(PLC)计算机监控,配比、循环运行实现全自动控制,可连续不间断生产,沥青含量可在10%-70%之间随时调节,产出成品沥青含量精确,可达±1%以内。
  【温度调节阀系统应用之乳化沥青设备特点】
  1、实时测量、监控流量、比例、温度及重量。键盘设定油水比例、小时产量、一次开工总产量、控制参数、报警参数及传感修正值等,设定值可长期不丢失。
  2、油水设定比例宽,可在10%-70%范围内随时调整。
  3、温度、液位、配比控制精确,产品质量稳定,物料封闭式传输,自动化程度高,便于标准化管理。
    温度调节阀系统应用之乳化沥青设备应用的调节阀有:
    电动三通温度调节阀;气动三通温度调节阀;气动温度调节阀;电动温度调节阀等

更多产品资讯

 

ky棋牌官方正版下载 - ky棋牌2025最新版下载V39.39.6.95 安卓版 - 2265安卓网